TermoPool DOO
LJubiše Miodragovica 11 N
11160 Beograd
PIB: 108790604
MB: 21068055
LJubiše Miodragovića 11 N , 11160 Beograd
S1 ORP
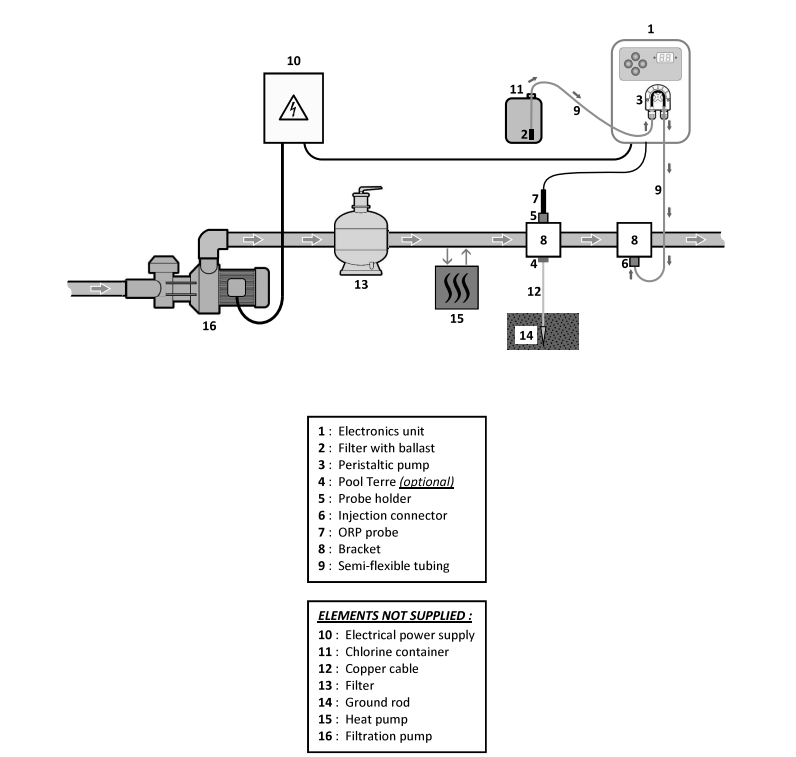
Dozirna Nero pumpa za dozirnje natrijum hipohlorita (HLORA) tecnosti poseduje sondu koja meri nivo vrednost Redox-a i na osnovu toga odredjuje koliko ce se tecnosti hlora ubaciti bazen. Nero dozirna pumpa je peristatička pumpa i obezbeđuje lakše idelan nivo CL vrednosti u bazenu i samim tim olakšava održavanje bazena.
Vrhunski uređaj za kontrolu i optimizaciju hlorisanja bazena. Njegova napredna tehnologija pruža precizno i efikasno održavanje kvaliteta vode, uz istovremenu zaštitu opreme i maksimalan komfor korisnika.
Ključne prednosti uređaja:
Zašto odabrati?
Sa svojim naprednim karakteristikama i brojnim prednostima, predstavlja idealno rešenje za održavanje kristalno čiste i bezbedne vode u vašem bazenu. Investirajte u kvalitet, sigurnost i jednostavnost!


Molimo da pre kupovine proizvoda proverite validnost cena. Postoji mogućnost odstupanja navedene od stvarne cene.
SVE CENE SU SA PDV-om